Skip to main content

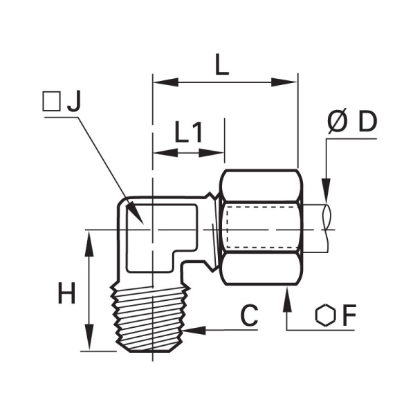
Male stud elbow

SKU: DK-017
Component category
  • Hydraulic
  • Pneumatic
Hydraulic, Pneumatic
Component typeOthers
+

Male stud elbow